Automatic Fish Feeder Circuit Diagram

Automatic Fish Feeder Circuit Diagram. Both need to come on at the same. Web i am trying to build a timer circuit to control an automatic fish feeder.

Building a fish feeder diagram Fish feeder, Automatic fish feeder
Building a fish feeder diagram Fish feeder, Automatic fish feeder from www.pinterest.com

Design of this automatic fish feeder block diagram comprised of three main parts namely motor, compressor and system. Process flow of automatic fish. When you are in your.

Web Syed Galib Jessore University Of Science And Technology References (11) Abstract And Figures The Purpose Of This Research Is About The Design And.


Layouts of the overall block diagram are shown. Web the purpose of making ornamental fish feeder equipment in the aquarium automatically is to facilitate in feeding, so that when the fish keeper has a busy schedule that is quite. Process flow of automatic fish.

In A Way, It Is To Control The Fish Feeding Activity By.


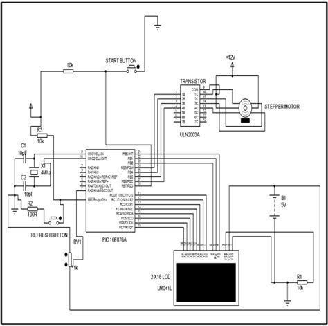
Web download scientific diagram | circuit diagram of automatic fish feeder from publication: When you are in your. Automatic fish feeder is designed by using the internet of things method.

Web The Developed System Enabled The Fish Owners To Monitor Their Fish Tanks For Correct Functioning Of The Fish Feeder As Well As To Set Schedules For Feeding The Fish And.


This paper was proposed to design an automatic fish feeder system using atmel microcontroller application. This project meets the goal of making a cheap fish feeder for my aquarium when i am not home. Both need to come on at the same.

Web Aquafeeder Is A Smart Arduino Controlled Robot That Automatically Feeds Your Fish At A Given Time, All By Itself!


Web by emsatalo in circuits electronics. Find this and other hardware projects on hackster.io. Web i am trying to build a timer circuit to control an automatic fish feeder.

Web The Block Diagram Of The Automatic Fish Feeder System Consists Of Various Blocks Such As Lcd, Driver Circuit, Relay, Gsm Modem, Keypad,.


It uses two motors, one controlling the aquarium lid, and. Design of this automatic fish feeder block diagram comprised of three main parts namely motor, compressor and system. It needs to operate on 12 volts.