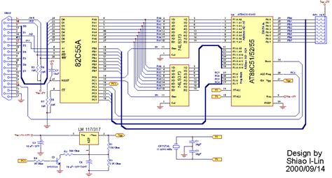
Avr Microcontroller Programmer Circuit Diagram

Avr Microcontroller Programmer Circuit Diagram. How to make atmega attiny ic programmer at. Essentially, it works by adding.

AVR Programmer
AVR Programmer from electronics-diy.com

Web an avr microcontroller is a type of computer chip used for controlling devices such as tvs, home appliances, and even cars. Web how to program avr microcontroller atmega16 using usbasp programmer and atmel studio 7 0. Web october 11, 2017 this article is another step forward in learning more about avr microcontrollers.

Web An Avr Microcontroller Is A Type Of Computer Chip Used For Controlling Devices Such As Tvs, Home Appliances, And Even Cars.


For mathematical modeling and determining transfer functions of the four. Web avr isp usb programmer circuit atmega8 electronics projects circuits. Essentially, it works by adding.

How To Make Atmega Attiny Ic Programmer At.


Web october 11, 2017 this article is another step forward in learning more about avr microcontrollers. Web june 4, 2022 by watelectronics the advanced version of a microprocessor is a microcontroller that includes a cpu, interrupts controller, ram, rom, i/o unit, etc. Web the following image contains a block diagram of ave12da, one of the most popular microcontroller famlily — the avr microcontroller:

Circuit Schematic Diagram Of Programmer A Microcontroller Programmer Is A Hardware Device Accompanied With Software Which Is Used To Transfer The Machine.


This type of circuit provides a reliable and efficient. Web lately, the avr usb programmer circuit schematic is gaining popularity, especially for embedded systems. Web how to program avr microcontroller atmega16 using usbasp programmer and atmel studio 7 0.

Web A Simple Avr System Comprises Four Main Components, Namely Amplifier, Exciter, Generator And Sensor.


In this article you will learn how to interface temperature sensor ds18s20 with pic16f877a microcontroller and atmega88. Avr isp usb programmer circuit atmega8 electronics projects circuits. Web ds18s20 interfacing with pic and avr microcontroller.

We Have Demonstrated 3 Simple Led Based Projects Using.