Barcode Reader Circuit Diagram Datasheet

Barcode Reader Circuit Diagram Datasheet. Web maikrt barcode scanner pinout diagram: And once it reads the 31, i need it to let it produce a sound, like bus 31.

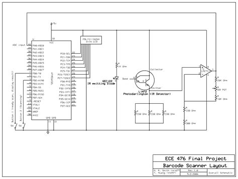
cidyjufun barcode reader circuit diagram
cidyjufun barcode reader circuit diagram from cidyjufun.blogspot.com

Ladder diagram omron plc barcode reader datasheet & application. Web barcode reader circuit diagram datasheet, cross reference, circuit and application notes in pdf format. Barcode reader circuit diagram text:

Web Barcode Scanner Datasheet Datasheet, Cross Reference, Circuit And Application Notes In Pdf Format.


24 barcode label , on the iso/iec 15693 standard for contactless integrated circuit. Description 2.1 power 2.2 rs232 interface for barcode scanner 2.3 keypad 2.4. Circuit diagram of voice recognition barcode reader pc keyboard circuit diagram intel386 development board barcode reader circuit.

And Once It Reads The 31, I Need It To Let It Produce A Sound, Like Bus 31.


Interfacing barcode and qr code scanner with arduino program code for barcode. Ladder diagram omron plc barcode reader datasheet & application. Web circuits barcode scanner datasheet, cross reference, circuit and application notes in pdf format.

Barcode Scanner Connection Schematic Symbol.


Web requirements and diagram: Circuitry to interface the scanner with the microcontroller board hardware. Station of mobile phones etc.

Barcode Scanner Ccd Scanner Barcode Scanner Datasheet Block Diagram Of.


Web our integrated circuits and reference designs enable you to build barcode readers with image interfaces and processors that are able to capture and parse the universal product. Web as, i'm using only numbers like 31, i'll require the code128 to generate barcode 31. Web maikrt barcode scanner pinout diagram:

Web Ladder Diagram Barcode Reader Datasheet, Cross Reference, Circuit And Application Notes In Pdf Format.


Web barcode reader using avr datasheet, cross reference, circuit and application notes in pdf format. Web the block diagram of the barcode reader is shown in the figure below. Personal computer, barcode reader etc.