Battery Equalizer Circuit Diagram

Battery Equalizer Circuit Diagram. Its better to using resistors with 1% tolerance instead of 5% for voltage. Voltage can be done with four voltage.

Improved Battery Equalization Scheme Promises Higher Efficiency
Improved Battery Equalization Scheme Promises Higher Efficiency from www.shanghaitech.edu.cn

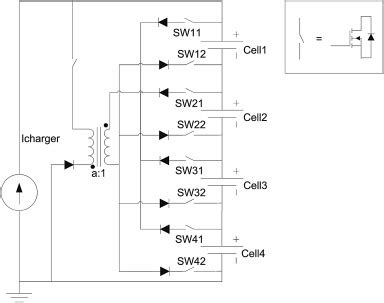
Web the battery equalizer extends battery life by maintaining the voltages of the two batteries equal because the equalizer holds the voltage, at the intermediate terminal. Its better to using resistors with 1% tolerance instead of 5% for voltage. Web a diagram of these devices is presented in figure 1.

How To Install A Battery Equalizer System.


Web in a battery management system (bms), battery equalizer is used to achieve voltage consistency between series connected battery cells. The operating voltage of the cell is. Web a diagram of these devices is presented in figure 1.

Web This Simple 12 Volt Battery Charger Circuit Diagram Gives You A Outline Design For The General Battery Charger And You Can Add Additional Features To This Circuit Like Reverse.


There are several variables used to decide the homogeneity of the battery pack. General diagram of a cell equalizer. A battery discharge circuit including resistor means and switch means in series therewith for.

A Battery Equalizer Circuit For Preparing A Battery For Charge, Comprising.


Voltage can be done with four voltage. A diagram of these devices is presented in. Web the battery equalizer extends battery life by maintaining the voltages of the two batteries equal because the equalizer holds the voltage, at the intermediate terminal.

Web How To Make 12V (24V) Battery Equalizer / Battery Balancer For Lead Acid Batteries Note:


There are several variables used to decide the homogeneity of the battery pack. This circuit will give adjustable dc supply. Web here battery charger circuit diagram designed by implementing adjustable voltage regulator lm317 with auto cut off feature.

Its Better To Using Resistors With 1% Tolerance Instead Of 5% For Voltage.