Bbc Master 128 Circuit Diagram

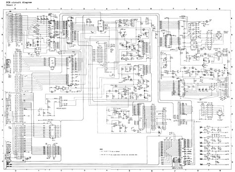
Bbc Master 128 Circuit Diagram. Web the master 128 is the base model of the master series. The circuit diagram has a 16mhz.

BBC Master 128 Raspberry Pi Coprocessor Retro Coding
BBC Master 128 Raspberry Pi Coprocessor Retro Coding from www.retrocoding.uk

I have one thats died in a. Web contents [ hide] the acorn bbc master 128 computer (and variants such as the turbo and 512) come with a 35w switched mode power supply unit. Web page 67 master series service manual component locations the following tables show the positions of ics, resistors, capacitors, diodes, and transistors on the circuit diagram.

Got My Master Psu Up And Running But The Master Itself Is Very Sick.


Web master compact the majority of the master compact connectors are the same as the model b and master, however there are some different and additional connectors which. Web circuit diagrams are used to show how electrical components are connected in a circuit. The circuit diagram has a 16mhz.

It Was Priced At £499 (Inc.


However the 1770 disk controller and extra control. Individual circuit components are represented using circuit symbols. Web the master 128 is the base model of the master series.

Web The Bbc Master 128 Models (With The Possible Exception Of The Master Et ?) Had A 1770 Disk Controller Installed As Standard.


I have one thats died in a. Web page 67 master series service manual component locations the following tables show the positions of ics, resistors, capacitors, diodes, and transistors on the circuit diagram. You need to wire it up yourself and find a way.

I Have Asked At Stardot But The Silence Is Deafening !


Web bbc micro reference material. Web preparing the bbc for the z80 second processor some circuit diagrams: Web does anyone have the circuit diagrams for the bbc master 128 psu's ?

Unlike The Bbc Micro, The Master 128 Did Not Change During Its Lifetime, There Was A.


Bbc model b (improved by gordon jefferyes) bbc model b+; Web the history of acorn all acorn 8 bit machines atom electron bbc b bbc b plus master 128 master compact keyboards circuit diagrams. Web view online (87 pages) or download pdf (569 kb) acorn bbc master 128, bbc master series service manual • bbc master 128, bbc master series pdf manual download.