Binary Octal Hexadecimal Circuit Diagram

Binary Octal Hexadecimal Circuit Diagram. Web an introduction to different number systems, including binary (base 2), octal (base 8), decimal (base 10) and hexadecimal (base 16) from the digital design c. Web a binary number is converted to octal by grouping the bits in groups of three, and converted to hexadecimal by grouping the bits in groups of four.

What is the circuit's logic diagram of a (2bit binary to decimal
What is the circuit's logic diagram of a (2bit binary to decimal from electronics.stackexchange.com

Now, make pairs of 4 of binary digits. Web get access to the latest octal to binary encoder circuit with truth table & circuit diagram prepared with cbse class 12 course curated by sangeeta komali on. Web use our free binary to hex converter.

Web This Chapter Begins With An Introduction To Arithmetic Operations In Binary, Octal, And Hexadecimal Numbers.


Now, make pairs of 4 of binary digits. Remember this by recalling that 2 4 = 16, so we need four digits. Convert numbers into binary, octal, decimal, hexadecimal or any base numbering system.

Web Binary, Octal, & Hexadecimal Number Systems And Their Conversions Decimal To Binary Decimal Numbers Are Converted To Binary By Repeated Division Of The Given Number By 2,.


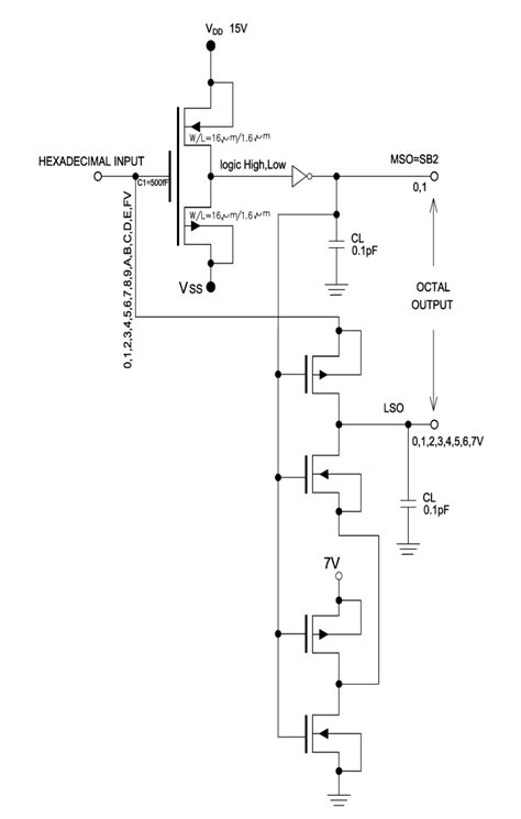
Binary, octal, hexadecimal, and hollerith constants. Web 24 rows decimal to binary; Web circuit diagram for implementation of hexadecimal to octal logic (sb2+lso) using floating gate mosfets.

Place The Value Of Binary From Octal Number Of Each Digits Using Binary To Octal Table.


Web a binary number is converted to octal by grouping the bits in groups of three, and converted to hexadecimal by grouping the bits in groups of four. Web steps for converting octal to hexadecimal. Web for hexadecimal (base 16), we need up to four digits in binary to represent each single digit.

Web Rangkaian Aritmetika Materi:


Web use our free binary to hex converter. Web an introduction to different number systems, including binary (base 2), octal (base 8), decimal (base 10) and hexadecimal (base 16) from the digital design c. Web get access to the latest octal to binary encoder circuit with truth table & circuit diagram prepared with cbse class 12 course curated by sangeeta komali on.