Bpsk Demodulator Circuit Diagram

Bpsk Demodulator Circuit Diagram. The diagram is as follows. The first stage of demodulation is.

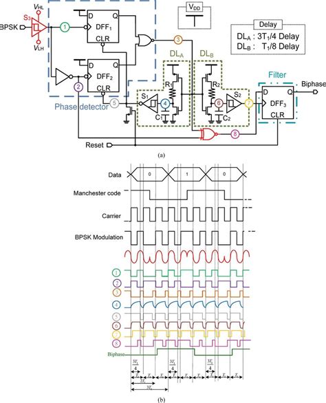
BPSK demodulator. (a) Circuit diagram. (b) Waveform of each node
BPSK demodulator. (a) Circuit diagram. (b) Waveform of each node from www.researchgate.net

The first stage of demodulation is. Web in this bpsk scheme, we have two parameters: Web figure 1 bpsk modulation and demodulation a process b study on the influence of electromagnetic pulse uav communication link science education.

Although There Are Numerous Techniques That Could.


Bpsk modulation technique was analyzed using quartusii. The diagram is as follows. Web bpsk circuit based on sdc memristor by ran gao and yiran shen * institute of modern circuits and intelligent information, hangzhou dianzi university,.

Binary Sequence And Carrier Frequency, Which Are User Controllable.


Among all the possible numerical modulations, we chose to start with the students, by simplest ie bpsk. The first stage of demodulation is. The input is a baseband representation of the.

Web The Typical Block Diagram Of Digital Communication System Is Presented In Fig.1.The Digital Communication System Consist Of Both Digital And Analog Parts.


Web us here is the modulator/demodulator on intermediate frequency. Web circuit diagram of the ask demodulator. Bpsk refers to the technique of modifying the carrier phase of a signal both before transmission and after receipt.

Web Binary Phase Shift Keying (Bpsk) Modulation Using Cd4016 With Simulated Output Waveform.


Web design of bpsk modulator: Web bpsk system block diagram from the figure, we can describe the bpsk transmission system as 3 parts: • transmitter • receiver • awgn channel.

After Processing Through The Rectifier And Envelope Detector, The Ask Modulated Signal Reached The Comparator's.


Web the bpsk demodulator baseband block demodulates a signal that was modulated using the binary phase shift keying method. Web figure 1 bpsk modulation and demodulation a process b study on the influence of electromagnetic pulse uav communication link science education. Web in this bpsk scheme, we have two parameters: